В наше время люди чтобы поймать рыбу используют в качестве прикормки хлеб, тесто, кукурузу и т.д. Но традиционный способ приманки низко эффективный, так как воздействует только на один орган восприятия у рыбы.
Всего у рыбы 4 органа восприятия: боковая линия, обоняние и вкусовые ощущения, зрение, и цветовое зрение. И чтобы облегчить и увеличить шансы на хороший улов была придуманная электронная приманка.
Электронная приманка – это устройство, которое помогает рыбакам увеличить шансы прийти домой не с пустыми руками. Это очень полезный прибор, он облегчит процесс рыбалки, при использовании приманки пропадает риск перекормить рыбу.
К сожалению, но традиционный способ прикормки рыбы действует на небольшом расстоянии, что дает результат, если рыба находиться в небольшом радиусе.
О том какие преимущества между обычной приманкой и электронной, а также какие существуют модели приманок, их принципы работы, вы узнаете ознакомившись с этой статьей.
Электронная приманка для рыб
Отзывы об электронных приманках отличаются, однако большинство опытных рыбаков сходятся во мнениях, что этот продукт имеет право на существование. Приманка эффективная как на обычной, так и на зимней рыбалке.
Многие рыбаки делают такие приборы самостоятельно, но этот процесс требует специальных знаний, в частности – в радиотехнике, ведь необходимо настроить правильную частотность и разобраться в подаваемых импульсах. Лучше купить готовую электронную приманку с уже настроенными показателями.
Прибор способен создавать положительные электрические заряды малого напряжения, что хорошо воздействует на органы чувств рыбы.
Созданные световые и звуковые волны за несколько минут привлекают водных обитателей, ведь вибрация и звуки в 4 раза сильнее воздействуют в жидкой среде, чем в воздухе.
Силу электронной приманки оценили многие любители рыбной ловли, и многочисленные отзывы это подтверждают. Согласно статистике, при использовании прибора на крючок идет около 70% крупной рыбы, остальное приходится на мелочь. Феномен объясняется просто: чем больше объем тела (рыбы), тем сильнее воздействует электрический заряд.
Чем отличается электронная приманка от обычной?
На самом деле отличий между простой и электронной приманкой – масса. В последнее время традиционные наживки значительно подорожали, что заставляет искать альтернативные варианты для удачной ловли.
Итак, ниже представлены основные отличия электронной приманки от обычной наживки:
- вы не перекормите рыбу. Опытные рыбаки в курсе, что постоянные подкормки рано или поздно пресытят рыб, но при использовании электронной наживки эта проблема исключается;
- прибор воздействует на все органы чувств рыб, в то время как биологическая наживка – только на чувство обоняния;
- экономия денежных средств. Электронная приманка более практичная в использовании, чем простые традиционные каши, тесто, черви или опарыши, вы можете ее использовать много раз;
- к рыбалке не придется готовиться заранее. Вы не будете за 2 дня наперед делать приготовления, в данном случае достаточно просто не забыть взять с собой приманку;
- специальные перемычки в комплекте с электронной наживкой позволят вам ловить рыб даже в самых мутных водоемах, что с применением обычной прикормки невозможно.
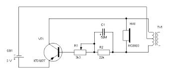
Два варианта схем звуковой приманки для рыб
Первый вариант схем для изготовления приманки для вылова рыбы называется «квакающая приманка».
Схема работы ее такова:
- Улов завлекается в нужное место при помощи особых квакающих звуков, которые издает приманка.
- Звуковые волны создают два резистора, которые сменяют друг друга.
- Питается данная приманка от обычных батареек, которых будет достаточно и трех штук для того, чтобы устройство смогло работать достаточно длительное время.
- Звук в устройстве исходит от наушника, взятого с телефона или с плеера, и которого нужно предварительно подготовить для безопасного опускания в воду.
- Второй наушник устанавливается в основной корпус устройства приманки для дополнительного контролирования звука.
- Использовать такую приманку нужно так: на длинной веревке опустить наушник в воду. В то же время подключить приманку на двадцать секунд, и затем выключить. Повторять такие действия следует каждые тридцать секунд.
- Пользоваться такой приманкой можно как в летний, так и в зимний период.
Второй вариант схем для изготовления электронной приманки называется «гидрофон».
Схема его работы такова:
- Как известно, некоторые звуки не только могут отпугивать рыбу, но и привлекать ее. Один рыбак как-то заметил, что радио, которое играло возле него на рыбалке, привлекло много окуня, и решил воплотить эту идею в жизнь, сделав звуковую приманку.
- Для такой приманки, которая используется в основном для вылова крупной рыбы нужно записать звуки, которые издает эта рыба в воде с помощью гидроформа и магнитофона с встроенным усилителем громкости звука и записью.
- Записав нужные звуки, рыбак должен включать проигрывать их не меньше получаса, чтобы рыба могла услышать их издалека и приплыть к нужному месту. Важно, чтобы готовая запить не имела помех, скрипов и других дефектов, постольку это может существенно повлиять на общий успех процесса вылова рыбы.
- Кроме того, гидрофон можно также подключать к плееру или мобильному телефону или же окунать его в воду. Как правило, на качественную запись рыба приплывает по истечению десяти или пятнадцати минут.
- Если поблизости водоема происходит магнитный меридиан, или другие помехи, то это может существенно подпортить весь эффект записи, поскольку рыба его просто не «уловит» и не станет клевать.
- Записать качественные звуки рыбы – это непростое дело, которое требует практики и опта, поэтому с первого раза у неопытного рыбака может не получится, но не стоит останавливаться, и рано или поздно все выйдет как надо.
Совет: не нужно применять запить постоянно на одном месте вылова, поскольку рыба так быстро утратит всякий интерес к данным звукам. Каждый раз нужно стараться менять место вылова и там уже включатся запись. Сделать хорошую запись без помех и с правильными сигналами – это самая трудная задача в этом методе. Начинающим рыболовам это может быть не по силам.
Воздействие различных сигналов на рыбу
Электронная приманка воздействует практически на все органы чувств у рыбы, главным образом – на восприятие вибрации. Рыба обычно «чувствует собратьев» посредством издаваемых частотных колебаний, диапазон которых – 200-13000 Гц.
При погружении в воду прибор издает 4 сигнала:
- вибрационный;
- звуковой;
- электрический слабочастотный импульс;
- световой сигнал.
Воздействие может распространяться на многие метры (в пресных водоемах – 900 м, в морской среде – в пределах 1100 м), а при грамотном использовании перемычек сила сигнала не ослабеет даже в самом мутном и грязном водоеме.
В частности, излучаемый красный цвет, преломляясь в воде, разлагается на множество цветовых элементов, что весьма эффективно действует на зрительное восприятие рыб.
Звуковые волны под водой гораздо быстрее распространяются, чем в воздухе, набирая скорости в 1500 м/с.
С помощью преобразователя в приманке излучаются импульсные звуковые волны, которые, благодаря чувствительности рецепторов рыб, быстро достигают своей цели.
Соответственно, буквально через несколько минут новообразованные подводные стаи будут плавать в радиусе 3-х метров от месторасположения электронной приманки в поисках пропитания.
Обзор электронной приманки Фишмагнит-2
Фишмагнит-2 — это электронная приманка для рыбы, которое стандартные методы прикормки рыбы (хлебу, каше, тесту, и т.д.).
Характеристики
Электронная приманка очень полезна, так как оставляет больше времени именно на ловлю рыбы и не перекармливает приманкой будущий улов.
Включение приманки происходит в автоматическом режиме при опускании её в воду. После чего прибор с прибора начинает исходить импульс как звуковой, так и световой. Радиус действия приманки достигает до 900 метров. Отключается она сразу же после того как вытянуть её из воды.
Для человека она полностью безвредная, так как человеческий слух в несколько тысяч раз хуже, чем органы слуха рыбы и попросту не воспринимает диапазон шумов приманки.
Как включить приманку?
Чтобы устройство активировалось, его необходимо опустить на глубину 15-20 метров, после чего она активируется и начнёт приманивать рыбу.
Отзывы
Отзывы об этом «чуде» довольно-таки неодобрительные, со 100% отзывов 60-70% только негативные. В основном рыбаки жалуются на неэффективность Фишмагнит-2, так как она, в большинстве случаев, только отпугивает рыбу.
Цена
Кстати стоимость это приманки колеблется в среднем от 1000 до 1500 рублей.
Принцип работы приманки
Основной принцип действия данного устройства заключается в следующих процессах:
- При вхождении в водоем эта приманка начинает свою работу сама, без предварительного включения. Выключается она также самостоятельно после того, как ее извлекут из воды, поскольку именно она в данном случае играет роль электрического проводника. Таким образом, приманка начинает действовать сразу после того, как под красную боковую крышку, где расположены все контакты, попадает вода.
- Приманка для привлечения рыбы использует особые сигналы, которые влияют на все рецепторы рыбы, а именно:
- Сигнал света.Действует на зрение улова путем мигания. Таким образом, даже в темное время суток он может привлечь внимание рыбы, если она не услышит звуковых сигналов.
- Применение акустических волн, которые издает приманка. Они были специально подобраны в ходе многих исследований и вычислений. Распространяются данные волны на восемьсот метров. Лучше всего они работают в очень мутных водоемах.
- Вибрирование механизма. Работа данной функции заключается в том, что устройство отображает ту вибрацию, которая находится в воде и действует на «боковые линии» улова;
- Сигнал электромагнитных импульсов. Он действует на нервную систему рыб и вместе с другими функциями привлекает ее к месту вылова.
- В конечном итоге, рыба ощущает влияние на себя, которое ей нравится, и после этого она все ближе подплывает к тому участку водоема, который нужен рыбаку.
- После извлечения приманки из воды ее следует хорошо вытереть полотенцем, чтобы она перестала работать.
Обзор электронной приманки «Супер Клёв»
«Супер Клёв» — электрическая приманка, которая выполнена в форме цилиндра. С обеих сторон приманка закупоривается крышками, на которых есть промаркированные контакты. Крышечки излучают свет, который и воздействует на зрительные органы и привлекает внимание рыбы.
Принцип работы прибора и применение
Как и все другие электронные приманки, «Супер Клёв» запускается при опускании в воду, после чего она начинает воздействует на разные анализаторы рыбы:
- свет;
- вибрация;
- электромагнитный сигнал;
- вибрация.
Приманка прекращает работать сразу после вынимания из воды.
Отзывы
Отзывы рыбаков об электронной приманке «Супер Клёв» слишком разделились. Некоторые рыбаки пишут, что устройство великолепно выполняет свою работу и оно эффективней чем аналоги, но с другой стороны рыбаки отмечают, что оно вовсе не дает никакого результата.
В большинстве, рыбаки позитивно отзываются о «Супер Клёве».
Цена
Стоимость приманки варьируется от 950 до 2500 рублей.
Основные достоинства электронной приманки
Хорошо работающая электронная приманка может привнести массу положительных моментов. Они касаются не только ловли, но и подготовки к рыбалке, транспортировки и значительного облегчения снаряжения.
- Стоимость электронной приманки «Супер клев» в последнее время стала более доступной. В зависимости от модели «Фишмагнит-2», а также аппетита продавца приобрести устройство можно как за 900, так и за 2500 рублей. Если тщательно проанализировать стоимость оборудования и прикормочных составов, то окажется, что «Фишмагнит-2» окажется выгодным приобретением уже на первых же рыбалках.
- Для приготовления прикормки требуются такие габаритные и недешевые аксессуары, как специальная емкость, сито, аккумуляторный миксер. Они занимают достаточно много места в багажнике авто. А электронный прибор помещается в любой коробке или пенале. Легкое снаряжение позволяет любителю рыбалки преодолевать большие расстояния в поиске клевого места.
- Увлажнение прикормки является достаточно длительным занятием. Специалисты рекомендуют строго дозировать соотношение воды и сухой массы, иначе прикормка будет рассыпаться в верхних слоях воды либо долго лежать на дне, не распадаясь на фракции. Новичок может потратить более 1 часа на приготовление кормовой смеси. А электронное устройство готовится к работе за считанные минуты.
- Применение «Фишмагнит-2» исключает такой часто встречающийся недостаток у новичков, как перекармливание потенциальной добычи. С «Фишмагнит-2» рыба будет находиться в точке ловли всегда в голодном состоянии.
- Поклонникам фидера и поплавочной удочки не придется стоять у кухонной плиты с целью приготовления ароматной прикормки. Ведь рыбу приманить можно воздействием разных видов излучения на другие органы. И даже если подводные обитатели не реагируют на вкусный корм, то комплексное воздействие на целый ряд рецепторов активизирует даже пассивных представителей ихтиофауны.
Обзор электронной приманки «Клёв»
Эта электронная приманка отличается от своих аналогов внешним видом. Она имеет форму коробочки с регулятором и выключателем сбоку. Выпускается в сером цвете. Работать с приманкой можно как на зимней, так и на летней рыбалке. Устройство можно регулировать и при правильной регулировке можно настроить как на больших особей, так и на маленьких.
Принцип работы
Приманка «Клёв» излучает разные звуковые волны с изменяемой частотой 25-12000Гц. С помощью регулятора можно выбирать необходимую частоту и характерность звука. В зависимости от установленных настроек можно ловить рыбу разного размера.
Применение
Включается приманка просто, нужно всего лишь нажать на переключатель и с помощью резистора выбрать нужную мощность и характерность звука. По необходимости можно отключить зуммер, чтобы он не мешал во время рыбалки.
Отзывы
Тут очень многое зависит от опыта рыболова, уже «деды» рыбалки пишут, что устройство хорошее в хороших руках, и при правильном использовании оно очень эффективно работает и оправдывает свою покупку. Другие рыбаки, которые возможно еще не очень разбирались в нём, пишут, что устройство не несёт никакой пользы и что они с удочкой наловили больше, чем с этой приманкой.
Цена
Стоит электронная приманка в районе от 1700 до 2000 рублей.
Топ-15 электронных гаджетов для рыбалки
Беспроводной эхолот
Данное электронное устройство помогает рыбакам решить множество проблем, а точнее: Определяет глубину водохранилища, а также определяет температуру воды. Помогает узнать, где расположены более глубокие места на водоёме. Особенность эхолота заключается в том, что соединение происходит через wi-fi, либо bluetooth.
Подводная видеокамера для рыбалки
Подводная камера представляет собой устройство для подводной съёмки. Камера помогает: Определить глубину и рельеф дна, обнаружить большие скопления и передвижения рыбы.
Подводный дрон для рыбалки
Дрон позволяет рыболову облегчить жизнь. Он даёт возможность ловить рыбу без удочки и отправлять рыболовную снасть далеко от берега. Проделать данную операцию можно при помощи пульта дистанционного управления.
Самоподсекающая удочка
Данная удочка имеет механизм, который позволяет рыбаку спокойно рыбачить. В случае поклёвки удочка сама отреагирует своевременной подсечкой, и добыча окажется на крючке.
Эхолоты для зимней рыбалки
Устройство почти не отличается от обычного эхолота. Основное отличие в том, что зимние приборы выдерживают низкие температуры и славятся более высоким числом излучаемых волн.
Подводные камеры для зимы
У подводных камер для зимы угол обзора намного больше, ведь толща льда очень усложняет рыбалку. А также у них высокая гидроизоляция и погружная способность.
Электронные приманки
Электронные приманки позволяют привлечь внимания рыбы. Чаще всего это происходит с помощью звуковых волн.
Эхолот-часы
Действие эхолот-часов не отличается от стандартных эхолотов. Основным отличием является то, что его можно спокойно носить на руке, без лишних затрат сил.
Трекер-рыбака
Необычное устройство, которое помогает фиксировать броски и достижения во время рыбалки.
Монокуляр ночного видения
Монокуляр помогает рыбачить в ночное время и наблюдать за объектами.
Печь подзарядка
Походная печка, которая преобразует тепло в электричество. Она позволяет зарядить электронные устройства в условиях отсутствия электричества.
Приспособление для привязывания крючков
Данный гаджет позволяет рыболову сэкономить время, ведь теперь не нужно будет завязывать узел самому. Необходимо зафиксировать крючок в устройстве, вставить леску и просто нажать кнопку.
Электрическая рыбочистка
Иногда на рыбалке хочется приготовить свежую уху, но чистить рыбу времени нет. Устройство помогает сэкономить время и легко очистить рыбу без использования силы.
Умные приманки – манок
Манок напоминает собой большой поплавок. Его действие заключается в том, чтобы привлечь рыбу. Манок испускает звуковые и вибрационные колебания, которые привлекают рыбу не только мелкую, но и крупную.
Кораблик для приманки
Неважно, где вы находитесь, кораблик сможет доставить прикормку в любую точку лова.
Обзор электронной приманки «Мегатекс» для хищной рыбы
Электронная кормушка «Мегатекс» отличается от своих аналогов необычным видом и весит всего лишь 45 грамм, что меньше чем другие приманки.
Принцип действия её таковой, что опуская её в воду, она имитирует колебания разных мотыльков и тем самым привлекает голодную рыбу. Радиус действия «Мегатекса» приблизительно 50 метров. Приманку можно использовать и при фидерной ловле. Время роботы приманки составляет 1200 часов.
Принцип действия
Устройство имеет круглую, цилиндрическую форму, внутри которой, находится звуковое устройство. На одном из концов присутствует светодиод, который служит для рыбака индикатором срабатывания кормушки.
Отзывы
После погружения «Мегатекса» в воду необходимо его активировать. Рыбаки отзываются о кормушке весьма положительно. Приблизительно 7 из 10 человек нравится эта электронная кормушка.
Цена
По сравнению с другими электронными приманками, цена «Мегатекса» может варьироваться от 450 рублей на официальном сайте производителя, и до 700 рублей на рынке.
Сравнивая с традиционной приманкой, электронная имеет свои положительные стороны: не допускает переедания рыбы, воздействует на все органы восприятия рыбы, а также экономит время и деньги рыбака.
Конечно, электронная приманка – техника, которая не может гарантировать, что во время рыбалки она не перестанет работать итогда рыбалка может быть менее эффективной или вовсе не результативной.
В большинстве случаях электронная приманка становятся эффективным и незаменимым инструментов рыбалки на крупную или хищную рыбу. А вложенные в неё средства, оправдывают себя и надежды рыболова.
